60噸標準型預壓式氣液增壓缸-台灣秋葵视频网站
發布時間:2017-12-06
此次為客戶專業定製的
60噸標準型預壓式氣液增壓缸正在測試,經過嚴格的行業標準測試後將會發出,一共4台。不同於一般噸位的增壓缸在二樓測試室進行測試,此款由於太過笨重,大體積,非標專業定製,測試直接在我司一樓另一個裝配處進行。
60噸標準型預壓式氣液增壓缸型號為JRA-180-100-15L-60T,工作溫度為0~60℃,作動條件為4~7kg/cm²,作動方式為雙動,安裝方式為正裝(前軸向下出力),使用流體為ISO VG68#抗磨液壓油。
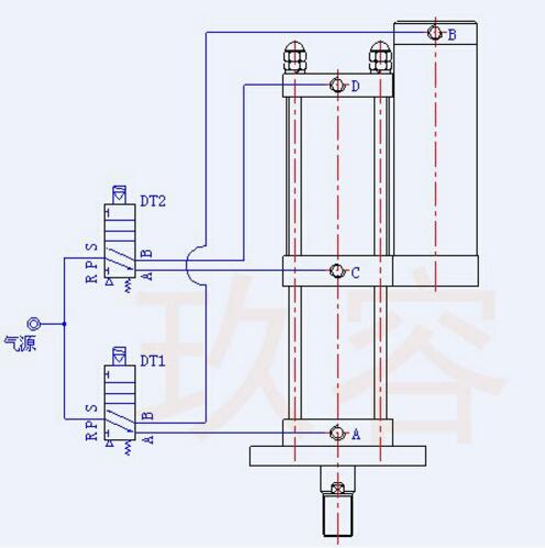
60噸標準型預壓式氣液增壓缸氣路連接圖如下:
秋葵视频网站-25年專注研發生產增壓缸等氣動液壓設備,最前沿台灣技術支持,專業品質保障!關於
60噸氣液增壓缸,如有更多疑問或相關需求,歡迎直接致電
13450680298楊小姐免費谘詢。